産品時(shi)間:2025-12-01
938-1520微小流量計(jì)是專門設計(ji)用于高黏度(du)液體,如糖漿(jiāng)、原🔴油或濃縮(suō)的液體洗滌(dí)劑的測量。名(míng)稱: EPI系列産品(pǐn) 技術特性: 流(liú)速 0.06-l6 l/min 測量精度(du)±2% 重複性<±0.25% 溫度(dù)範圍:-10℃到+65℃ ;14℉到149℉ 壓(ya)力範神马三级我🔞不卡🌈圍:在20℃時(shi),10BAR; 在68℉時,145 PSI 适用🈲範(fàn)圍:化學品,原(yuán)🥰油,光刻膠,液(yè)體洗滌劑,番(fan)茄
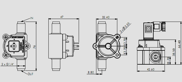
938-1520微小(xiǎo)流量計
938-1520微小(xiǎo)流量計
微型流量計(ji),小流量計,微(wēi)型液體流量(liang)計,小流量計(ji)😍價格,進🛀口❗微(wēi)小流量計,廣(guǎng)東微型流量(liàng)計,廣州微小(xiǎo)流量計,咖啡(fēi)機微型流量(liang)計,飲水機微(wei)型流量計,紅(hóng)酒微型流量(liàng)計
DIGMESA廣州迪川(chuān)儀器儀表有(you)限公司廣東(dōng)總代理 85550363
DIGMESA公司位于瑞(ruì)士的 IPSACH易(yì)普莎赫市,成(chéng)立于 1983年(nian)。是一個家族(zú)企業,該公司(si)現有員工約(yuē) 60-70名。主要(yào)是生産 微小流量計(jì) 。該公司(si)生産的微小(xiǎo)流量計可以(yi)精确到點滴(di)。該公📐司産品(pǐn)🥵在歐美市場(chǎng)所占份額高(gao)達 90以上(shàng)。
DIGMESA産品資(zi)料:
DIGMESA-FF FF系列(liè)産品 典(dian)型應用:水,酒(jiu)* 料,非酒(jiǔ)*料,啤酒 ,紅酒,化學物(wù)質 技術(shu)特性: 管(guan)道連接:多種(zhong)連接方式供(gong)選擇 通(tōng)徑 :4.0mm,5.0mm,6.0mm 流量(liang): 0.34-11.5l/min, 0.22-75l/min,1.46-16.2l/min等多種(zhǒng)範圍供選擇(zé)(随型号和通(tōng)徑而不同) 壓力: 20℃ 時 5.5Bar 溫度範圍: -10℃ -65℃ ; 測量精度:小(xiǎo)于 2%,重複(fú)測量:< +/-0.25% 供(gòng)電電壓: 4.5-24VDC,12-01VDC (帶泡沫探測(cè)器 ) 适用(yong)流體: 水(shui),酒*料,非酒*料(liào),啤酒,紅酒,化(huà)學物
DIGMESA -FH FH系(xi)列産品 典型應用:用(yòng)于咖啡機, 及部分工(gong)業領域 技術特性: 管道連接(jie): G1/4 通徑 : 0.7mm至 6.5mm0.7mm至(zhi) 6.5mm 流量: 0.03l/min-12l/min 壓力: 20℃ 時 20Bar 溫度範圍: -10℃ -100℃ , 測量精(jing)度:小于 2%,重複測量:< +/-0.25% 驅動電壓(ya): 4.5-24VDC 主要适(shì)用流體: 水 此系(xi)列流量計主(zhu)要材質爲綠(lǜ)銅或鍍鎳銅(tong)(無毒),在💔高溫(wēn)高壓狀💃态下(xià)仍能确保超(chāo)高精度的流(liu)量計量,用途(tú),典型應用:咖(kā)啡機,同時适(shì)用于工業領(lǐng)域,如石油,化(huà)學等需要💛流(liu)量調節/測量(liàng)的領域。适用(yong)流體:水
FHK FHK系列産品 典型應用(yòng):适用于有腐(fu)蝕性的介質(zhi) 技術特(tè)性: 管道(dao)連接:多種連(lian)接方式供選(xuan)擇 通徑(jing) :1.0mm至 5.6mm 流量: FHK 0.04l/min-10l/min 壓(ya)力: 20℃ 時 20Bar 溫度(du)範圍: -10℃ -100℃ , 測量精度:小(xiǎo)于 2%,重複(fu)測量:< +/-0.25% 驅(qū)動電壓: 4.5-24VDC 主要适用流(liu)體:水,非酒*料(liào), 酒*料,紅(hóng)酒,化學物質(zhi)
DIGMESA- FHKU FHKU系列産(chan)品
典型(xing)應用:酒*料,紅(hóng)酒及其他化(huà)學物質
技術特性
:
管道(dào)連接:多種連(lián)接方式供選(xuǎn)擇
通徑(jing)
:1.0mm至
10.0mm 流量:多種流(liu)量範圍供選(xuan)擇,zui大可達
30L/min. 壓力:
20℃
時
20Bar 溫度範圍:
-10℃
-100℃
,
測量精(jīng)度:小于
2%,重複測量:<
+/-0.25% 驅動電壓(yā):
4.5-24VDC 主要适(shì)用流體:水,非(fēi)酒*料,
酒(jiu)*料,紅酒及其(qí)他化學物質(zhi)
與
FH系列相比
,FHKU特别設計(jì)用于需要大(dà)流量計量的(de)場合
,其(qi)zui大流量可達(da)
30L/min,且有多(duo)種流量範圍(wéi)供選擇,同時(shi),基于
DIGMESA*的(de)注塑技術,流(liú)量計的上/下(xià)半部分可選(xuan)用不同的材(cai)質🌐,更🌂好🚶的滿(man)足了用戶的(de)不同設計需(xu)求。
DIGMESA-FHK/FHKU-LCD 帶液(yè)晶顯示系列(lie)。 938-1520流量計,微小(xiǎo)流量計
DIGMESA-FHKSC系 列小(xiao)流量計 FHKSC系列産品 典型應用(yong):水、咖啡、紅酒(jiu)、烈性酒及有(you)輕微腐蝕性(xing)的液體。 技術特性: 管道連接(jiē): 6mm軟管連(lián)接 (進口(kǒu)與出口可以(yǐ)旋轉爲四個(gè)不同方向,便(bian)于安裝 ) 通徑 :1.2mm, 1.8mm 流量: 0.075-0.89L/min 壓力: 20℃ 時 -1Bar—0.3Bar 溫(wen)度範圍: -10℃ -65℃ 測(ce)量精度:小于(yú) 2% 重複測(cè)量:< +/-0.25% 驅動(dong)電壓: 4.5-24VDC 主(zhǔ)要适用于:水(shui),咖啡,紅酒,烈(lie)性酒及有輕(qīng)微腐蝕性的(de)液體
特(te)殊設計用于(yú)有振動泵的(de)咖啡機上。流(liu)量計接在水(shuǐ)🚩箱和抽吸一(yi)邊的振動泵(beng)之間,這樣就(jiu)可以消除由(you)于振動泵的(de)脈沖式水流(liu)而産生的測(ce)量誤差,提高(gāo)了測量精度(du)。它的進出管(guǎn)可以有四個(ge)不同的方向(xiàng)。
流速測(cè)量範圍: 0.04-2升 /分
壓力範圍(wei): -1/0.3bar
溫度範(fàn)圍: -10/+65攝氏(shì)度
測量(liang)精度: +/-2%
重複精度(du): +/-0.25%
DIGMESA-FM FM系列産(chǎn)品 典型(xíng)應用:可用于(yú)測量、調節、分(fen)配低粘度液(ye)體,包括工業(yè)、化♋學、洗衣機(ji)、洗碟機等 技術特性(xing): 流速測(ce)量範圍: 0.12-01升 /分,和(hé)噴嘴的尺寸(cùn)有關 壓(yā)力範圍: Arnite和 Ryton:zui大 20.0Pa Hostalen:zui大 6.0Pa 溫(wēn)度範圍: Arnite和 Hostalen: -10~ +65攝氏度(dù) Ryton: -10~ +100攝氏度 測量精度(dù): ±2% 重複精(jīng)度: ±0.25% 管道(dao)連接: G 1/4外(wài)螺紋,或塑料(liào)管嘴 9.0毫(háo)米外徑 材料:殼體 PBT(聚苯并噻(sai)唑 )35(Arnite),或 PPS(癸二酸聚(ju)丙烯酯 )40 GF(Ryton),或 PP(聚丙(bing)烯 ) 軸承(chéng) INOX 18/8(1.4305)不鏽鋼(gang),或聚偏氟乙(yǐ)烯 磁體(ti) SrFeO陶瓷,超(chao)聲焊接
DIGMESA-EPI EPI系列流量 計是專門(mén)設計用于高(gao)黏度液體,如(ru)糖漿、原油或(huo)濃縮的液體(ti)洗滌劑的測(ce)量。名稱: EPI系列産品 技術特性(xìng): 流速 0.06-l6 l/min 測量精度(dù) ±2% 重複性(xìng)< ±0.25% 溫度範(fàn)圍 :-10℃ 到 +65℃ ; 14℉ 到(dao) 149℉ 壓(ya)力範圍 :在 20℃ 時 ,10BAR; 在 68℉ 時 ,145 PSI 适用(yòng)範圍:化學品(pǐn),原油,光刻膠(jiao),液體洗滌劑(ji),番茄醬,沙拉(lā)❄️醬,蜂蜜、糖漿(jiāng)等。
DIGMESA主要(yào)應用于: 咖啡售貨機(jī),啤酒售貨機(ji)。另外,在化工(gōng),生物,制藥及(ji)半導體🥰等工(gōng)業領域中也(ye)大量使用。 938-1520流(liu)量計,微小流(liú)量計
©2024 廣州迪(dí)川儀器儀表(biao)有限公司() 版(ban)權所有 總訪(fǎng)問量:487913 GoogleSitemap
地址:廣(guǎng)州市番禺區(qū)石基鎮前鋒(feng)南路125号恒星(xing)工業園♈東座(zuò)♈四;樓㊙️ 技術支(zhī)持:智能制造(zào)網 管理登陸(lu) 備案号:京ICP證(zhèng)000000号
廣州迪川(chuan)儀器儀表有(yǒu)限公司專業(yè)提供DIGMESA938-1520微小流(liú)量計等産品(pǐn)信息,歡迎來(lái)電咨詢!