産品時間:2025-12-01
FS4001系列小(xiao)流量氣體質量(liàng)流量傳感器是(shi)專門爲各類小(xiǎo)🔞流量氣體的測(cè)量和過程控制(zhì)而設計的。這一(yī)系🐆列傳💁感器均(jun1)采🈲用本👨❤️👨公司自(zi)主研發的微機(jī)電系統(MEMS)流量傳(chuán)感芯片來制作(zuò),适用于各類清(qīng)潔氣體。*的封裝(zhuāng)技術使之可用(yong)于各類管徑🍉,成(chéng)本低、易安裝、不(bú)需要溫度壓力(lì)補償,可替代容(róng)積式或壓差式(shi)的傳統⛱️流量傳(chuan)感器。
産品簡介(jiè):
FS4001系列小流量氣(qì)體質量流量傳(chuan)感器 是專門爲(wei)各類小流量氣(qì)體的測量和過(guo)程控制而設計(ji)的👉。這一系列傳(chuan)感器均采用本(běn)公司自主研發(fa)的微機電系統(tǒng)(MEMS)流量傳感芯片(pian)來制作,适用于(yú)各類清潔氣體(ti)。*的封裝技術使(shi)之可用于各類(lèi)管徑,成本低、易(yì)安裝、不需要溫(wen)👌度壓力補🈲償,可(kě)替代容積式或(huo)壓差式的傳統(tǒng)流量傳感器。
産(chǎn)品特點 :
FS4001系(xì)列小流量氣體(ti)質量流量傳感(gǎn)器
靈敏度高,有(you)小的始動流量(liàng)傳感器芯片采(cǎi)用熱質量✨流量(liang)❌計量,無需溫度(du)壓力補償,保證(zhèng)了傳感器的高(gao)精👨❤️👨度計量在單(dan)個芯片上實現(xian)了多傳感器集(jí)成,使傳感器的(de)量程比大大提(tí)高傳感器⛷️的零(líng)點穩定度高全(quan)量程高穩定性(xìng)全量程㊙️高精确(que)度和優良的重(zhong)複性低功耗低(dī)壓損響應時間(jian)快
主要參數:
|
性(xing)能參數 |
FS4001 |
單位 |
|
|
通(tong) 徑 |
1.0 |
1.8 |
mm |
|
大流量 |
30, 100, 200 |
500, 1000 |
SCCM |
|
量程(cheng)比 |
≥100:1 |
|
|
|
精 度 |
±(1.5+0.2FS) |
% |
|
|
重複性(xìng) |
0.25 |
%讀數 |
|
|
零點輸出(chu)飄移 |
±30 |
mV |
|
|
輸出飄移(yi) |
±0.12 |
%/oC |
|
|
響應時間 |
4, 8, 16, 33 , 65 , 131 |
mses |
|
|
工作(zuo)電源 |
8~18Vdc,50mA |
|
|
|
輸出方式(shi) |
線性,RS232/模拟電壓(ya)0.5~4.5Vdc |
|
|
|
大流量壓損 |
350 |
300 |
pa |
|
大(dà)工作壓力 |
0.5 |
MPa |
|
|
工作(zuò)溫度 |
-10 ~ +55 |
oC |
|
|
存儲溫度(dù) |
-20 ~ +65 |
oC |
|
|
工作濕度 |
<95%RH(無結(jié)冰、無凝露) |
|
|
|
機械(xiè)接口 |
可拆式軟(ruǎn)管接頭 |
|
|
|
校準方(fang)式 |
空氣(或其他(tā)氣體),20oC,101.325kPa |
|
|
|
重量 |
15 |
g |
|
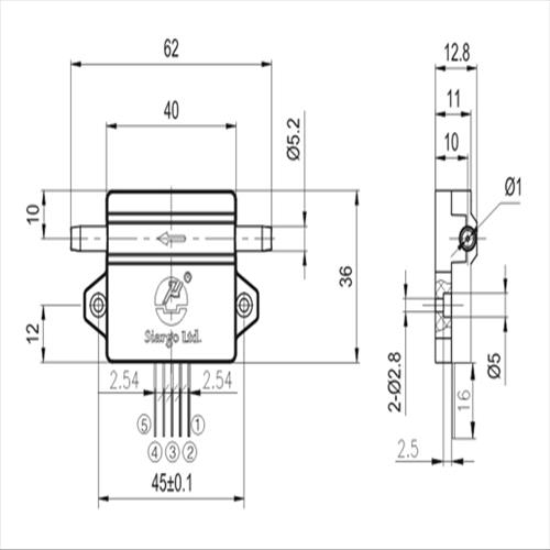
機械(xie)尺寸:
©2024 廣州(zhou)迪川儀器儀表(biao)有限公司() 版權(quan)所有 總訪問量(liang):487913 GoogleSitemap
地址:廣州市番(fan)禺區石基鎮前(qian)鋒南路125号恒星(xing)工業園東座四(si);樓 技術支持:智(zhi)能制造網 管理(li)登陸 備案号:京(jing)ICP證000000号
廣州迪川(chuān)儀器儀表有限(xian)公司專業提供(gòng)FS4001系列小流量氣(qi)🈲體質💯量流量傳(chuán)感器等産品信(xìn)息,歡迎來電咨(zi)詢!
› •
·